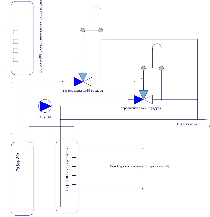
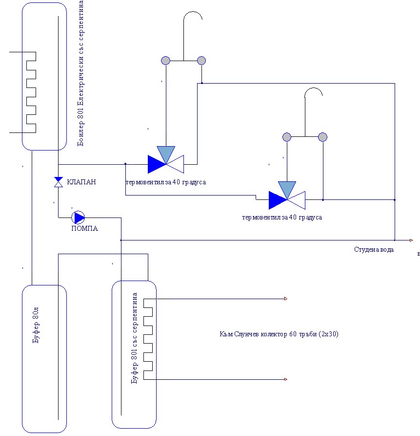
Привет, предстои ми свързване на слънчевите панели за топла вода към водоподаването на къщата и искам да попитам знаещите дали има грешки в системата която мисля да направя. Изчетох няколкото теми които има във форума за свързване на два бойлера последователно и към слънчеви колектори, както и няколко теми в други форуми. Ясно ми е, че има по-добри варианти - един по-голям бойлер, но с това разполагам и няма да инвестирам допълнително пари , както и факта, че единия бойлер (електрически) си е монтиран и там няма да пипам нищо а само ще закача няколко меки връзки. Та на въпроса - дали ще работи това което ми е измислила главата за свързване на това с което разполагам в момента. По скоро ме интересува дали няма да има проблем с хидравличните истории на системата. Предварително благодаря на всички отзовали се.
Прикачен файл
shema_boileri.jpg (74.99 KиБ) Видяна 7491 пъти
