dnai написа:Ще ползвам схемата за .......................Уффффффф.....
Място за идеи и желания за проектиране и изработка на готови проекти.
hidrazin
- майстор
1531 мнения в "ветрогенератор"
ivanovbg
- майстор
- Мнения: 5269
Дадох ти схеми дето не следят нищо и ще работят перфектно от 20 до 320 волта.
Първо направи блокова схема на това което искаш да захранваш с генератора. Входните данни - напрежение от - до. Товара какъв ще е - нагреватели или акумулатори, или комбиниран. Параметрите на акумулаторите ако ще ги има. И тогава може да обсъждаме конкретна схема.
Първо направи блокова схема на това което искаш да захранваш с генератора. Входните данни - напрежение от - до. Товара какъв ще е - нагреватели или акумулатори, или комбиниран. Параметрите на акумулаторите ако ще ги има. И тогава може да обсъждаме конкретна схема.
dnai
- специалист
- Мнения: 45
Ето това мие нужно ,ако вместо ключ може да се регулира плавно и автоматично вторият нагревател следейки входното напрежение ще е супер.аз вместо ключ сложих димер и го въртях ръчно ,става много добре
едната схемичка е с изправител другата с трифазен товар щеги реализирам и двете.
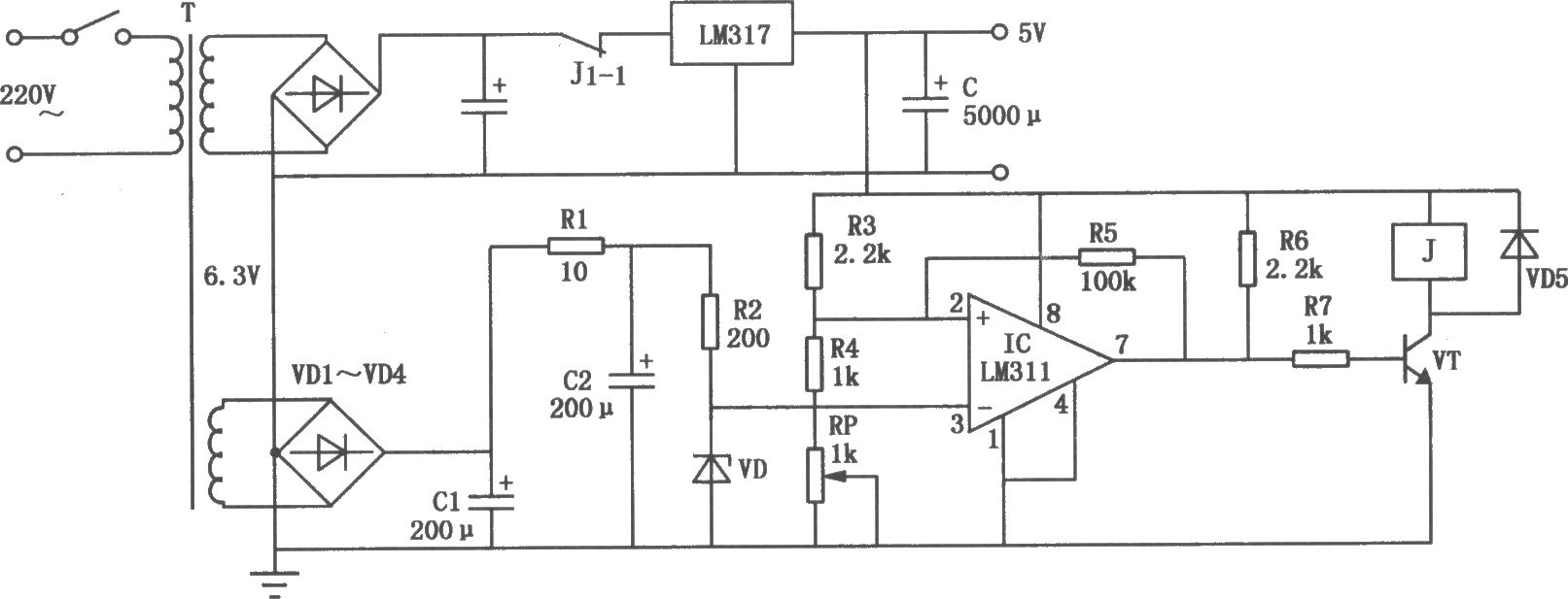
но ако не може автоматично слагам 555 или lm311 и ще стане ключа ,това мога .
едната схемичка е с изправител другата с трифазен товар щеги реализирам и двете.
но ако не може автоматично слагам 555 или lm311 и ще стане ключа ,това мога .
Прикачен файл
Без име.png (13.42 KиБ) Видяна 3573 пъти
Прикачен файл
блок схема 1.png (14.06 KиБ) Видяна 3573 пъти
Тема "ветрогенератор" | Включи се в дискусията:
Сподели форума:
Бъди информиран. Следвай "Направи сам" във Facebook:
Намери изпълнител и вдъхновения за дома. Следвай MaistorPlus във Facebook:
Имаш нужда от подходящ професионалист за дома?
- Преустройство, ремонт и реновиране
- ↳ Вашите ремонти
- ↳ Кухня
- ↳ Баня
- ↳ Дневна
- ↳ Спалня
- ↳ Детска
- ↳ Градина
- ↳ Коридор
- ↳ Тераса и балкон
- Направи сам
- ↳ Направи сам
- ↳ Ремонтирай сам
- ↳ Къде е по-евтино?
- ↳ Дърводелство
- ↳ Ел. инструменти
- ↳ Металообработване
- ↳ Конкурс "Направи сам 2012"
- Строителство
- ↳ Всичко за вилата
- ↳ Къщи
- ↳ Саниране
- ↳ Хидроизолация
- ↳ Пасивни и нискоенергийни сгради
- Сухо строителство
- ↳ Окачени тавани
- ↳ Преградни стени и предстенни обшивки
- ↳ Сухи и повдигнати подове
- ↳ Декоративни елементи - колони, трегери, сводове и др.
- ↳ Всичко за гипскартона и гипсфазера
- Въпроси и Отговори
- ↳ Полезни съвети
- ↳ Автомобили
- ↳ Партньори
- ↳ Боядисване и Декориране
- ↳ Вентилация, климатици и термопомпи
- ↳ Водоснабдяване и канализация.
- ↳ Всичко за ремонта
- ↳ Електротехника
- ↳ Отопление
- ↳ Газификация
- ↳ Електроника и Схеми
- ↳ Газобетон
- ↳ От всичко по малко
- ↳ Компютри и периферия
- ↳ Уеб дизайн, PHP, MySQL, JavaScript, HTML..
- ↳ Мобилни устройства, GSM-и
- ↳ Нека се запознаем
- ↳ Recycle Bin
- Статии
- ↳ Практични решения
- ↳ Качване на снимки
- ↳ Какви статии искате?
- ↳ Готварство, туршии и зимнина
- ↳ Отмора и шеги
- ↳ От нищо нещо
- ↳ Не е за вярване
- ↳ Литература
- ↳ Връзки към Интересни сайтове
- Магазин
- ↳ Препоръки и Мнения за он-лайн магазина
- ↳ Крадeни инструменти !!!
