Всичко свързано с тоците ми е слабост, опитайте се да ме затрудните.
pif4o - специалист
Здравейте отново, из къщи ми се мота едно Респромче, пуснах го за продан но нещо взех да размислям, ще ми върши чудна работа на село на вилата, само че онзи ден като реших да го тествам, след толкова години стояне дали работи, единия му канал е по слаб от другия. Един познат спомена че можело да е от кондензатори. Някои от вас достатъчно запознат ли е със схемата му за да ми каже кой или кои кондензатори да му сменя че да заработи нормално Мисля също така да му сложа и нормални изходи и 1-2 входа с чинчове че с тея 5- тици букси ме връща в детството и само ме затруднява да намеря кабел Прилагам малко помощни линкове:
http://www.kn34pc.com/sch/sch_ampl/u202.html

Ето и схема, ако не ви се зареди през браузера, я свалям и я отварям направо с адобе риедер
https://www.dropbox.com/s/oz5qv6wr2g9mb ... l_u202.pdf
Благодаря предварително, ще се радвам да го възкреся
Последна промяна от pif4o на пон мар 10, 2014 11:10 am, променено общо 1 път.
alsted - майстор
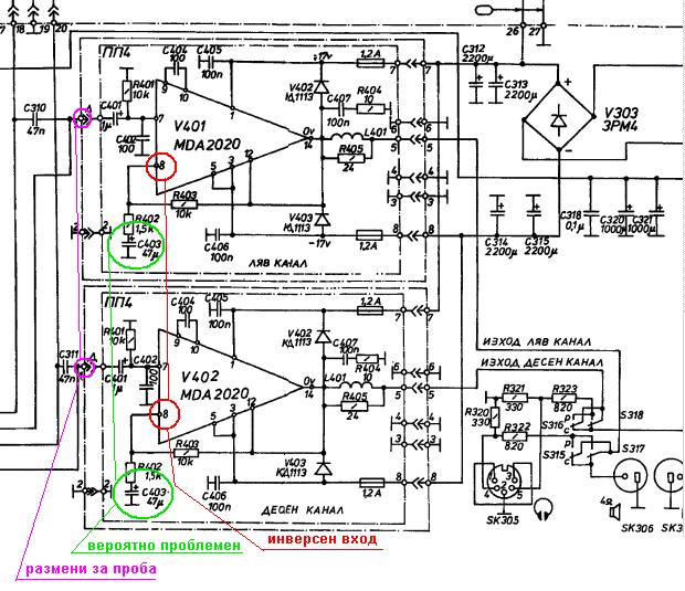
Дали проблема е в крайното стъпало? Предлагам ти да размениш входовете за да локализираш повредата. Ако наистина проблема е в КС, като гледам електролитен кондензатор имащ отношение е С403 формиращ инверсен сигнал. Най-елементарната манипулация е пак да им размениш местата. Пиши за резултата или питай ако не си ме разбрал точно.
Прикачен файл:
сух кондензатор.JPG
сух кондензатор.JPG (86.12 KиБ) Видяна 4250 пъти
pif4o - специалист
Разбрах отлично каква е идеята :) само това което си оградил за размяна като го гледам на схемата не мога да определя какво е като елемент, някъкъв вид връзка ли е? ясно е че трябва да им сменя местата за да видим ще се премести ли проблема, но това че си оградил точно определени места които за мен са с непознат символ явно значи нещо :) Лошото е че машинката в момента ен е пред мен за да я видя, ще мога чак довечера.
alsted - майстор
Така по-добре ли е :wink:
Прикачен файл:
по-нагледно.JPG
по-нагледно.JPG (26.57 KиБ) Видяна 4237 пъти
pif4o - специалист
Божееееее жива да не бях :rolleyes: срам, срам, няма толкова изчервена иконка да се изчервя :) ще пиша резултата :)
kalpev - специалист
pif4o написа:
Божееееее жива да не бях :rolleyes: срам, срам, няма толкова изчервена иконка да се изчервя :) ще пиша резултата :)
Бре...другите ти постове са писани в мъжки род...
pif4o - специалист
Хаха, еи нищо не ви обягва от погледа :) къде ти жена в тоя мъжки форум все едно да я пуснеш в казармата в Безмер :) Това не помня беше лаф от един Бг филм ли знам ли вече, но съм го запомнил и чат пат го употребявам :)
ditronix - специалист
R402/C403 е една верига,формираща коефициента на усилване. Имайки пред вид,че в тоя усилвател кондензаторите са български ,предлагам да не се занимаваш с тях. Първо,че тези кондензатори,благодарение на технологията на ITT и доста големите им размери почти не дават дефекти и са с отлично качество,второ -стойността на кондензатора С403 може да повлияе много повече на възпроизвеждането на ниските честоти и много малко на общото усилване. Резисторът R 402 е определящ за това. С какъв източник тества усилвателя? Ако си му свързал касетофон-най-вероятно там е проблемът. За да се прецени обективно всичко обаче е нужна малко апаратура. Поне сигналгенератор и осцилоскоп. Най-напред опитай да размениш двата входа- екранираните кабелчета,които са на щепсели. Ако ситуацията се смени-не барай усливателя,проблемът е в източника на сигнал. Ако не-работата се усложнява и няма да се мине без споменатата апаратурка. Но съм убеден,че проблемът не е в С403!
pif4o - специалист
Така, смених кабелите които посочи по горе колегата alsted и проблема си остана на левия канал както си беше. Проблема е следния сега понеже го вързах как си трябва с букси всичко да е точно. Проблема е че левия канал има по малко бас от десния, и индикатора му не се движи така енергично като на десния. Инак свирят еднакво силно и двата като звук.
Индикатора се влияе от тов аколко съм усилил звука, в момента е понамален и мига само един диод на десния канал левия не светка хич. Значи пробвал съм го със СД в момента го тествам с един тунер на ямаха и пак е същата работа. Значи знаесе вече че левия е проблем въпроса е с кое да се захвана сега :)


п.п. - така в шкафа намерих два 47 микро по 63 волта, и един 47 микро по 35 волта, от скромния ми опит с електрониката знам че ако спазя стоиноста мога да сложа с по висок волтаж кондензатори стига мястото д аго позволява. Предвид казаното от колегата от предния пост че С403 отговаря за нискочестотния диапазан съм на път да го сменя преди да сте писали и да видя ефекта :)

Тема "Малко помощ за БГ усилвател Респром У202" | Включи се в дискусията:


Сподели форума:

Бъди информиран. Следвай "Направи сам" във Facebook:

Намери изпълнител и вдъхновения за дома. Следвай MaistorPlus във Facebook: