Всичко свързано с тоците ми е слабост, опитайте се да ме затрудните.
MrMurdjo - майстор
За оправяне не мога да говоря без да го познавам.
Мога единствено, ако го видя на живо, да определя елементите по него и тогава да преценя дали мога или не.
vassenceto - напреднал
Ако си в София , да направим връзка?
MrMurdjo - майстор
Ми то си пише в ляво къде ми е местоположението :)
hidrazin - майстор
vassenceto написа:
Ако си в София , да направим връзка?
Гледам в един друг форум си пуснал питане? Там е трудна работа. Обикновено там такива питания заминават към коша. Та не очаквай много от там. Виж ако може MrMurdjo да ти помогне. Все пак животното трябва да се види на живо. Така дистанционно май няма да стане.
:partyman:
MrMurdjo - майстор
Значи колеги, да дам малко пояснения за проблема. Колегата беше при мен и разгледах и проверих запалката. Според мен работи.
Никога не съм срещал такава преди и ми направи впечатление, че при включване (без товар), протича значителен ток, чак UPS-ът на компютъра се оплаква от спайка. Тракане е много силна дума. При това положение се чува пукане, придружено с леко просвирване и честота около 20-25 херца. Според мен идва от дросела и е обяснимо, ако в този момент там протича на импулси голям ток.
Зачетох се из нета и в общи линии се осведомих какво прави тази запалка - при включването пуска импулси през дросела за индуциране на напрежение от порядъка на хиляди волтове за запалване на разряда в горелката на лампата.
Големият кондензатор е филтров и е закачен на входната линия на 220 в. към фаза и нула.
Самата запалка е реализирана с релаксационен генератор, подобно на регулаторите на напрежение - с RC група, диак и триак, който комутира кондензатор 220 нФ (синия на снимката) към среден извод от дросела. Секцията е с много ниско съпротивление 0.3 ома, което предполага малко на брой навивки, при 1.8 ома за целия дросел. Предполагам точно разряда през нея на кондензатора индуцира импулс високо напрежение. И според мен, системата си работи. Просто липсата на товар и съответно пад в напрежението кара запалката да "щрака" постоянно.
Посъветвах колегата да провери кабелите и фасунгата. Писа ми, че са ОК и като включил блока, лампата се запалила, но след това е угаснала и отново е започнало цвъртенето.
Ако някой му е интесно, може да се включи с идеи. Аз по силните токове и големите индуктивности не се чувствам в свои води.
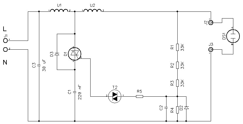
Нахвърлях набързо схемата по памет, затова я приемете с известна резервираност.
Прикачен файл:
Igniter.jpg
Igniter.jpg (33.48 KиБ) Видяна 3135 пъти
За мен остава и вероятността да има навивки на късо в дросела. Доста се е напичал, личи по боята и изолационната лента. Термозащитата е една кръгла таблетка, залепена външно към намотката. Друго възмоно е пусковият кондензатор да е позагубил от капацитета си.
Последно колегата ми писа, че ако бързо извади щепсела и пак го включи, да пукне (а то си пляка и сериозна искра), лампата се пали.
miroton - майстор
Що ми се струва че ако си купи нова лампа ще му се реши проблема с повредата на запалката.220nf струва 50 ст трябваше да го смениш.
MrMurdjo - майстор
Нямах под ръка такъв на 630 V, иначе щях да го сменя. То не е късно, де. Колегата вече знае къде съм :)
А за лампите, той има две, едната не е работила, но и с нея така. Но аз запазвам подозрения и към дросела, защото по думите му, при работа се напича и не може да се пипне с ръка.
vassenceto - напреднал
Дам проблема не е в лампите ,въртя ги и пак същото, но метода с правенето на искра ,пали от първия път.
vassenceto - напреднал
А тоя дросел въобще може ли да се отвори ?Да се види ко става?

Тема "Проблем с дросел+запалка." | Включи се в дискусията:


Сподели форума:

Бъди информиран. Следвай "Направи сам" във Facebook:

Намери изпълнител и вдъхновения за дома. Следвай MaistorPlus във Facebook: