Съгласен съм и за това гофре по профила е безсмислено и излишно. По-добре е да се ползват скоби по тавана или поне да се вързва към окачвачите за да се минимизират рисковете с рапидките..
Всичко свързано с тоците ми е слабост, опитайте се да ме затрудните.
nikolov333
- майстор
1656 мнения в "Дефектно токова защита"
zz_stefanov
- майстор
- Мнения: 4040
Вие говорите само за таван. Съжалявам, че съм запилял снимките на инсталация направена смесено от СВТ и мостовак. Мостовака беше притиснат от горния профил в ъгъла но здрав, СВТ беше уж спуснато през разни технологични отвори на профила (правени обаче с ножицата) като част от него беше завряна и в самия вертикален профил. Изкарах си от там ръцете кървави, за кабела беше ясно или срязан или пробит, а може и двете. 
- Мнения: 5
Здравейте,
Обръщам се към вас с молба за съвети и насоки.
Апартамент с 2-проводна инсталация. Ремонтирах банята и сложих бойлер за резерв на ТЕЦ, също обособих мокро помещение за пералня и сушилня. Имам (3) кръга в банята, 3-проводен мостов кабел: (1) - осветление, вентилация; (2) - бойлер, през ключ в мокрото помещение; (3) - двоен контакт в мокрото помещение. След ремонта остана аз да си подвържа кръговете в таблото с идеята на (2) и (3) да сложа ДТЗ. Уви, защита сработваше веднага щом: а) включа някой от уредите в мокрото помещение, или б) включа бутона на самия бойлер. Започнах да мисля, че нещо по инсталацията и връзките са оплескали майсторите, увериха, че бойлера е подвързан правилно. Тук да отбележа, че поради максимално изсмукване на мястото, бойлерът е сврян и нямам пряк достъп до неговите ел. връзки.
През уикенда направих експеримент, като прекарах директен кабел от таблото до мокрото помещение, където свързах контактът за уредите и после бойлерният ключ. Ефектът беше същият, ДТЗ пада веднага.
Ще се радвам на насоки, къде и какво мога да изпробвам или измеря, доколко ми стигат познанията.
Благодаря.
Обръщам се към вас с молба за съвети и насоки.
Апартамент с 2-проводна инсталация. Ремонтирах банята и сложих бойлер за резерв на ТЕЦ, също обособих мокро помещение за пералня и сушилня. Имам (3) кръга в банята, 3-проводен мостов кабел: (1) - осветление, вентилация; (2) - бойлер, през ключ в мокрото помещение; (3) - двоен контакт в мокрото помещение. След ремонта остана аз да си подвържа кръговете в таблото с идеята на (2) и (3) да сложа ДТЗ. Уви, защита сработваше веднага щом: а) включа някой от уредите в мокрото помещение, или б) включа бутона на самия бойлер. Започнах да мисля, че нещо по инсталацията и връзките са оплескали майсторите, увериха, че бойлера е подвързан правилно. Тук да отбележа, че поради максимално изсмукване на мястото, бойлерът е сврян и нямам пряк достъп до неговите ел. връзки.
През уикенда направих експеримент, като прекарах директен кабел от таблото до мокрото помещение, където свързах контактът за уредите и после бойлерният ключ. Ефектът беше същият, ДТЗ пада веднага.
Ще се радвам на насоки, къде и какво мога да изпробвам или измеря, доколко ми стигат познанията.
Благодаря.
DundyTheCroc
- майстор
- Мнения: 2422
Почти сигурно са свързали нула и заземяване след ДТЗ, а не преди нея към идващата захранваща нула.
- Мнения: 5
В таблото пипам само аз, за сега. Снимки няма, защото съм разтурял схемата с ДТЗ, а и вътре е голяма плетеница от стари и нови кабели.
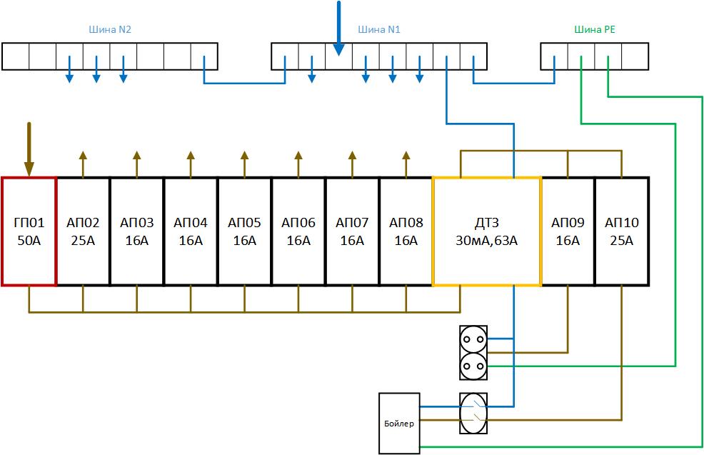
"N" ми влиза на една шина, която разклонявам на втора "N" шина и на трета изкуствена "РЕ" шина. "L" и "N" си минават през ДТЗ, "РЕ" директно към консуматорите, както трябва да е.
Писах, че съм пробвал с директен кабел от таблото, за да елеминирам грешни връзки. И ако при бойлера е възможно, макар мултицетът да не дава връзка между "N" и "PE" към бойлера, то при контактът няма как да се обърка.
"N" ми влиза на една шина, която разклонявам на втора "N" шина и на трета изкуствена "РЕ" шина. "L" и "N" си минават през ДТЗ, "РЕ" директно към консуматорите, както трябва да е.
Писах, че съм пробвал с директен кабел от таблото, за да елеминирам грешни връзки. И ако при бойлера е възможно, макар мултицетът да не дава връзка между "N" и "PE" към бойлера, то при контактът няма как да се обърка.
nikolov333
- майстор
- Мнения: 5423
Удължи си сондите на мултицета и търси къде има връзка между N и PE след ДТЗ
.. В бойлерното табло свързването как е..? При правилно свързване и липса на проблем по окабеляването, премери съпротивлението на нагревателя на бойлера към корпус.
iliya_i
- майстор
kozl
- майстор
- Мнения: 11592
пон авг 17, 2020 3:41 pmhomie написа: В таблото пипам само аз, за сега. Снимки няма, защото съм разтурял схемата с ДТЗ, а и вътре е голяма плетеница от стари и нови кабели.За какво я ползваш тази втора, разклонена "N" шина
"N" ми влиза на една шина, която разклонявам на втора "N" шина и на трета изкуствена "РЕ" шина. "L" и "N" си минават през ДТЗ, "РЕ" директно към консуматорите, както трябва да е.
Писах, че съм пробвал с директен кабел от таблото, за да елеминирам грешни връзки. И ако при бойлера е възможно, макар мултицетът да не дава връзка между "N" и "PE" към бойлера, то при контактът няма как да се обърка.
Теб ти требе напълно изолирана от всекакви други нули, шина за нулата изходяща от ДТЗ. Там трябва да закачиш нулите на кръговете, които са към ДТЗ.
Ако си закачил нулата на кръговете, на които фазата минава през ДТЗ към втората разклонена шина за нулата, това е неправилно и ДТЗ сработва от всякакъв консуматор, защото токът минаващ през фазовата намотка на ДТЗ не минава през нулевата намотка на ДТЗ, а веригата се затваря директно в разклонената шина нула.
- Мнения: 5
Надявам се приложената схема да дава яснота за идеята ми. Както казваше един колега - една картинка казва повече от 1000 думи.

El tablo.jpg (59.52 KиБ) Видяна 2057 пъти
Бойлерното табло е един ключ, през който минава фаза и нула. Подвързването на самия бойлер ми е недостъпно, за съжаление.
Поведението на ДТЗ към уредите в мокрото помещение, обаче, ме навежда на мисълта, че проблемът е в ап. табло.
Прикачен файл:
El tablo.jpg (59.52 KиБ) Видяна 2057 пъти
Бойлерното табло е един ключ, през който минава фаза и нула. Подвързването на самия бойлер ми е недостъпно, за съжаление.
Поведението на ДТЗ към уредите в мокрото помещение, обаче, ме навежда на мисълта, че проблемът е в ап. табло.
Тема "Дефектно токова защита" | Включи се в дискусията:
Сподели форума:
Бъди информиран. Следвай "Направи сам" във Facebook:
Намери изпълнител и вдъхновения за дома. Следвай MaistorPlus във Facebook:
Имаш нужда от подходящ професионалист за дома?
- Преустройство, ремонт и реновиране
- ↳ Вашите ремонти
- ↳ Кухня
- ↳ Баня
- ↳ Дневна
- ↳ Спалня
- ↳ Детска
- ↳ Градина
- ↳ Коридор
- ↳ Тераса и балкон
- Направи сам
- ↳ Направи сам
- ↳ Ремонтирай сам
- ↳ Къде е по-евтино?
- ↳ Дърводелство
- ↳ Ел. инструменти
- ↳ Металообработване
- ↳ Конкурс "Направи сам 2012"
- Строителство
- ↳ Всичко за вилата
- ↳ Къщи
- ↳ Саниране
- ↳ Хидроизолация
- ↳ Пасивни и нискоенергийни сгради
- Сухо строителство
- ↳ Окачени тавани
- ↳ Преградни стени и предстенни обшивки
- ↳ Сухи и повдигнати подове
- ↳ Декоративни елементи - колони, трегери, сводове и др.
- ↳ Всичко за гипскартона и гипсфазера
- Въпроси и Отговори
- ↳ Полезни съвети
- ↳ Автомобили
- ↳ Партньори
- ↳ Боядисване и Декориране
- ↳ Вентилация, климатици и термопомпи
- ↳ Водоснабдяване и канализация.
- ↳ Всичко за ремонта
- ↳ Електротехника
- ↳ Отопление
- ↳ Газификация
- ↳ Електроника и Схеми
- ↳ Газобетон
- ↳ От всичко по малко
- ↳ Компютри и периферия
- ↳ Уеб дизайн, PHP, MySQL, JavaScript, HTML..
- ↳ Мобилни устройства, GSM-и
- ↳ Нека се запознаем
- ↳ Recycle Bin
- Статии
- ↳ Практични решения
- ↳ Качване на снимки
- ↳ Какви статии искате?
- ↳ Готварство, туршии и зимнина
- ↳ Отмора и шеги
- ↳ От нищо нещо
- ↳ Не е за вярване
- ↳ Литература
- ↳ Връзки към Интересни сайтове
- Магазин
- ↳ Препоръки и Мнения за он-лайн магазина
- ↳ Крадeни инструменти !!!