• 1
  • 28
  • 29
  • 30
  • 31
  • 32
  • 34
Най - вълнуващия въпрос зимно време.
евгени1 - специалист
Изходящата тръба я вдигнах над ТО и над него направих завой и я свалих надолу, защото на пода ми е изхода и от там отива в стария кладенец.
Температурната разлика на входящата и изходящата вода пак е малка - около 2 гр.
При тия 12 ампера налягането отиваше над 28 бара и го изключвахме. Входящия фреон в испаритела пак е между 11-12 гр. а изходящия около 13. Компресора при тези стойности работи тихо, не се товари и поддържа 47 до 52 градуса, и ако не са проблемни да го осттавя да работи така, да видим като се застуди времето дали ще има ли някаква промяна.
2v6 - майстор
евгени1 написа:
Изходящата тръба я вдигнах над ТО и над него направих завой и я свалих надолу, защото на пода ми е изхода и от там отива в стария кладенец.
Температурната разлика на входящата и изходящата вода пак е малка - около 2 гр.
При тия 12 ампера налягането отиваше над 28 бара и го изключвахме. Входящия фреон в испаритела пак е между 11-12 гр. а изходящия около 13. Компресора при тези стойности работи тихо, не се товари и поддържа 47 до 52 градуса, и ако не са проблемни да го осттавя да работи така, да видим като се застуди времето дали ще има ли някаква промяна.
Ами аз да потретя или почетвъртя, като се опитвам да го казвам по различен начин да видим как ще разбереш.

1. Вътрешната водна отоплителна инсталацията (циркулация на водата и консуматори) е недостатъчна. Това го доказва високото налягане след компресора. Достатъчна ще е, когато налягането след компресора се повишава от 20 на 21 бар за минимум 20 минути.

2. Водата в изпарителя трябва да е с налягане поне 5 метра (0.5 бара). С това сваляне на тръбата надолу създаваш засмукване (сифон) и е възможно задържане на въздух в топлообменника. Затова ти написах да удължиш каналната тръба нагоре, най-добре до тавана, и там да изтича свободно сондажната вода. На входа на топлообменника трябва да имаш широк тройник (поне 1") с отклонение нагоре където въздуха да се отделя и да няма шанс да влиза в топлообменника.

Какво общо има застудяването на времето? Нещо по работата на вътрешната инсталация (радиатори, лири...) ще се промени ли?
denuchi - специалист
В крайна сметка какво количество фреон поставихте. Как регулира притока на фреон в изпарителя.(затваряйки крана и ТРВ). Какво беше ниското налягане в момента когато достигна 28 бара и 12 ампера. Ако не ти е проблем драсни една картинка.
евгени1 - специалист
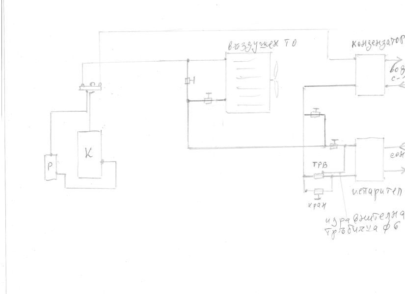
През лятото правих ремонт и преработвах отоплителната инсалация, смених чугунените радиатори с панелни, смених железните тръби с бели и повече не мога да пипам нищо, че жената накрая ще ме набие. Ще преработя захранването на испаритела. Сложихме 3,2 кг фреон, притока на фреона го регулирам от крана, но ниското налягане не е мерено защото пак трябва да викам хладилния техник. Сигурно му писна да го викам постоянно.Промених захранването на испаритела, но стойностите не се промениха.Прилагам едно чертежче.
Прикачен файл:
gg.jpg
gg.jpg (18.67 KиБ) Видяна 3341 пъти
2v6 - майстор
евгени1 написа:
През лятото правих ремонт и преработвах отоплителната инсалация, смених чугунените радиатори с панелни, смених железните тръби с бели и повече не мога да пипам нищо, че жената накрая ще ме набие. Ще преработя захранването на испаритела. Сложихме 3,2 кг фреон, притока на фреона го регулирам от крана, но ниското налягане не е мерено защото пак трябва да викам хладилния техник. Сигурно му писна да го викам постоянно.Промених захранването на испаритела, но стойностите не се промениха.Прилагам едно чертежче.
Прикачен файл:
gg.jpg
А къде е капилярката на външното тяло?

Какво ти пречи да смениш циркулационната помпа с по-мощна?
евгени1 - специалист
Капилярката е след хоризонталния кран, на въздушния ТО. Ще купувам по мощна циркулационна помпа за соларния панел, и първо ще я сложа на парното за проба и ако има резултат ще купя и за него.Между другото включих да работи на въздушния ТО, за да го сравним с другия. Прилагам данни.
вх. фреон - от 45 до 56 гр.
изх. фреон - 39
вх. вода - 35
изх. вода - 42
Вентилаторите поддържат фреона в тези граници. Загрява водата от 32 до 42 гр. за 20 минути, като консумира 6,8 амп. Когато работи със сондатта, загрява водата от 32 до 42 гр. за 16 минути и консумира 8,3 амп.
2v6 - майстор
евгени1 написа:
Капилярката е след хоризонталния кран, на въздушния ТО. Ще купувам по мощна циркулационна помпа за соларния панел, и първо ще я сложа на парното за проба и ако има резултат ще купя и за него.Между другото включих да работи на въздушния ТО, за да го сравним с другия. Прилагам данни.
вх. фреон - от 45 до 56 гр.
изх. фреон - 39
вх. вода - 35
изх. вода - 42
Вентилаторите поддържат фреона в тези граници. Загрява водата от 32 до 42 гр. за 20 минути, като консумира 6,8 амп. Когато работи със сондатта, загрява водата от 32 до 42 гр. за 16 минути и консумира 8,3 амп.
Каква мощност помпа ще купуваш за един панел :?

Меренето на температурата със залепен върху тръбата датчик винаги дава грешка (при показание 42 температурата вътре на флуида може да е над 45 :!: ).
По добре гледай налягането на фреона в изпарителя.
Също така промяна на температурата с 1 градус за по-малко от 2 минути внася допълнителна грешка в отчитането. За да можеш да сравниш двата режима (с въздушния или водния ТО) е необходимо промяната на температурата с 1 градус да става за минимум 15-20 минути :idea:

При колко бара изключва компресора с въздушния и съответно с водния ТО?
евгени1 - специалист
Панела ми е дрей бек, и тези помпи не могат да вдигнат водата до горе. Трябва да е с напор поне 10 метра. Не мога да гледам налягането, защото нямам монтирани манометри.
denuchi - специалист
Като гледам картинката добре беше да има и един филтър дехидратор. При толкова много заварки. И сега ще излезе, че с въздушният работи по добре. Явно си има причина....... Отиди си купи два манометъра най малката инвестиция на този етап. Постави ги и наблюдавай какво става. Като намаляваше количеството на фреона само с крана ли работи или бараше и ТРВ - то. Самото ТРВ в какво положение е до край ли е отворено.
евгени1 - специалист
За манометрите изобщо не се сетих, чак когато започнахте да питате за наляганията се усетих че са едни от най важните неща. Сега ще купя, и ще викам пак приятела да дойде да ги монтира. Само от крана намалявах притока на фреона. ТРВ-то е около средата, но съм го въртял с по 1 оборот до затворено и до отворено положение, но мисля че нямаше кой знае каква промянане. Ще взема утре пак да го въртя, и да запиша каква промяна има.
  • 1
  • 28
  • 29
  • 30
  • 31
  • 32
  • 34

Тема "Термопомпа от нов климатик, радиатори и подово" | Включи се в дискусията:


Сподели форума:

Бъди информиран. Следвай "Направи сам" във Facebook:

Намери изпълнител и вдъхновения за дома. Следвай MaistorPlus във Facebook: